信路达XL1057T3/T1/GT全新上市!攻克多场景CAN总线通信难关!国产高速CAN收发器“进阶”方案

本站 | 2025-10-27

1.引言

在高速CAN总线应用领域,通信稳定性、环境适应性与系统兼容性是核心需求。信路达XL1057GT/3,XLA1057T/1,XLA1057GT高速CAN收发器方案,精准衔接CAN网络协议控制器与物理双线总线,凭借升级的性能与适配性,为多场景CAN总线系统提供“稳定可靠”的通信支撑!本文将详细介绍 信路达 XL1057GT/3,XLA1057T/1,XLA1057GT  CAN收发器的主要特点、工作原理、功能特性、应用领域以及问题解决方案等,帮助方案设计者更好地理解其在现代通信系统中的作用。              

 before 2                  

2.信路达XL1057GT/3,XLA1057T/1,XLA1057GT CAN 的基本概述:

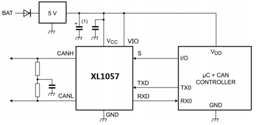
XL1057GT/3,XLA1057T/1,XLA1057GT是一款高速CAN收发器,可在控制器局域网(CAN)协议控制器和物理双线式CAN总线之间提供接口。该收发器专设计用于汽车行业的高速CAN应用,可以为(微控制器中的)CAN协议控制器提供发送和接收差分信号的功能。

XL1057GT/3,XLA1057T/1,XLA1057GT推出专为12 V汽车系统使用而优化设计,相比上一代XL1050有显著提升,而且电磁兼容性(EMC)的性能极为出众。断开电源时,XL1057GT/3,XLA1057T/1,XLA1057GT还可以展现CAN总线理想的无源性能。

这些特性使XL1057GT/3,XLA1057T/1,XLA1057GT成为仅需要使用基本CAN功能的HS-CAN网络的理想选择。XL1057GT/3,XLA1057T/1,XLA1057GT变体产品增加了时序参数,确保可以在数据速率超过1 Mbps的情况下(例如CAN FD网络),仍能提供稳健的通信。

3 . XL1057GT/3,XLA1057T/1,XLA1057GT CAN 的主要特点:

3.1 信路达XL1057GT/3,XLA1057T/1,XLA1057GT 高效通信,适配高速需求

1、双模式运行,灵活适配场景

正常模式(S引脚低电平):发射器与接收器均启用,可通过 CANH/CANL 总线实现双向数据传输,差分接收器将总线模拟信号转换为数字信号输出至RXD,适配高速CAN总线收发系统、自动控制系统的实时通信场景。

静默模式(S引脚高电平):仅接收器工作,发射器禁用,总线维持隐性状态,适用于故障排查 —— 当怀疑某节点异常时,切换至静默模式后若总线恢复正常,即可快速定位故障节点,保障系统持续运行。

2、精准时序控制,保障数据同步

短传输延迟:TXD到总线显性延迟(td (TXD-busdom))典型值62ns、最大100ns;总线显性到RXD延迟(td (busdom-RXD))典型值60ns、最大110ns,减少数据传输滞后,适配自动控制系统实时性要求。

稳定位宽输出:当TXD位宽为500ns 时,总线隐性位宽(tbit (bus))范围435ns-530ns,RXD位宽(tbit (RXD))范围400ns-550ns,时序偏差小,避免因位宽不稳定导致的数据解析错误。

3.2  信路达 XL1057GT/3,XLA1057T/1,XLA1057GT全面防护,安全稳定

1、供电与电压防护

欠压保护:实时监测VCC与VIO电压,当VCC低于3.5V(最小欠压检测值)或VIO低于2.1V(最小欠压检测值)时,收发器立即断开总线连接,禁用输出驱动器,防止低电压导致的数据错误或器件损坏;待电压恢复至VCC>4.3V且VIO>2.8V,且TXD复位为高电平时,输出驱动器方可重新启用,确保恢复后通信稳定。

总线电压防护:CANH/CANL引脚可承受ISO 7637标准定义的多种瞬态脉冲(如-150V脉冲3a、100V脉冲3b),同时支持- 42V至+42V极限电压,抵御新能源及储能系统、车载场景中的高压冲击。

2、电流与温度防护

短路电流限制:当CANH或CANL引脚短路时,显性输出电流(IO(sc) dom)被限制在-100mA至100mA(典型值),隐性短路输出电流(IO (sc) rec)限制在-5mA至+5mA,避免过大电流烧毁芯片与总线,降低维修成本。

过温保护:内置高精度温度传感器,实时监测虚拟结温(Tvj),当温度超过185℃(Tj(sd))时,自动禁用输出驱动器;仅当温度降至安全范围且TXD恢复隐性状态后,驱动器才重新启用,防止过热导致的性能衰减或永久损坏,适配新能源及储能系统长期运行。

3.3  信路达 XL1057GT/3,XLA1057T/1,XLA1057GT 低耗兼容,降本增效

1、低功耗设计,节省能源

静默模式:VCC电流(ICC)仅0.1mA-0.3mA,VIO电流(IIO)仅11μA-20μA,适合新能源储能系统、车载防盗系统等需长期待机监测总线的场景,减少能源消耗。

正常模式(总线隐性):VCC电流2mA-10mA,VIO电流7μA-30μA,在保障高速通信的同时,降低自动控制系统、车载电子的电能消耗,缓解供电压力。

2、高兼容性,简化设计

多电压微控适配:VIO引脚支持2.90V-5.5V供电,可直接对接3.3V或5V微控制器,TXD/RXD信号电平自动匹配微控制器I/O电平,无需额外电平转换芯片,减少元器件数量,缩小PCB板面积,降低设计与生产成本。

无供电被动优化:节点无供电时,CANH/CANL引脚呈高阻状态,泄漏电流(IL)仅-5μA至+5μA,对总线及其他节点无任何影响,不干扰高速CAN总线收发系统、自动控制系统的正常运行与故障诊断。


5V test

5V微控制器应用▲


3V 控制器

3.3V微控制器应用▲


3.4  信路达 XL1057GT/3,XLA1057T/1,XLA1057GT 稳定输出,保障数据质量

1、总线电压稳定,减少误码

显性输出电压:当负载电阻(RL)为50Ω-65Ω时,CANH电压 2.75V-4.5V,CANL电压0.5V-2.25V,差分输出电压(VO(dif))1.3V-3V,符合CAN总线信号幅度标准,保障数据正常解析;

电压对称性优化:发射器显性电压对称性(Vdom(TX) sym)偏差仅 -500mV至+500mV,减少信号失真,降低因电压不对称导致的通信误码率,提升高速CAN总线收发系统数据传输可靠性。

2、高接收灵敏度,抗干扰强

差分接收阈值合理:接收器差分阈值电压(Vth (RX) dif)为0.5V-0.9V,配合50mV-300mV的差分滞后电压(Vhys (RX) dif),可精准区分总线显性与隐性状态,即使在电磁干扰复杂的车载、工业场景中,也能准确接收数据;

宽电压接收范围:在CANH/CANL电压为-12V至+12V的范围内,接收器仍能正常工作,抵御电压波动影响,保障汽车及两轮车、自动控制系统在复杂供电环境下的通信稳定性。

4. XL1057GT/3,XLA1057T/1,XLA1057GT CAN 的工作原理:

信路达 XL1057GT/3,XLA1057T/1,XLA1057GT 是一款专为汽车设计的高速CAN收发器,其核心功能是将微控制器的CAN协议控制器与物理双线式CAN总线连接,实现差分信号的收发功能,其工作原理和核心特性如下:

1. ‌基本功能‌

作为CAN协议控制器与物理总线之间的接口,实现差分信号的发送和接收‌。

在断电时自动脱离总线,保持无源特性,避免干扰网络通信‌。

2. ‌工作模式‌

‌正常模式‌:将微控制器的逻辑信号转换为差分信号传输至CAN总线,并接收总线信号反馈给控制器‌。

‌故障安全‌:TXD显性超时功能防止总线阻塞,电源异常时自动进入高阻态‌。

5 . XL1057GT/3,XLA1057T/1,XLA1057GT CAN 的应用领域:

XL1057GT/3,XLA1057T/1,XLA1057GT作为一款高速CAN收发器,通过高性能、高可靠性及广泛兼容性,成为高速CAN网络的核心组件,尤其适合对EMC和实时性要求严苛的场景‌,广泛应用于汽车电子和工业控制领域,其核心应用场景如下:

5.1 多领域CAN总线痛点与解决方案

高速CAN总线收发系统:性能瓶颈与干扰问题

高速 CAN 总线收发系统(如工业设备互联、车载总线)核心痛点:

传统收发器电磁兼容(EMC)性能不足,易受外界干扰导致数据传输误码,影响系统控制精度;静电放电(ESD)防护能力弱,设备安装或维护过程中易因静电损坏收发器,增加运维成本;部分收发器在节点无供电时,会对总线或其他节点产生额外负载,干扰整体网络正常运行。

信路达 XL1057GT/3,XLA1057T/1,XLA1057GT 应用案例:

升级EMC性能

相较于上一代XL1050,EMC性能显著优化,既能降低自身电磁辐射(EME),又能提升抗电磁干扰(EMI)能力,减少外界干扰对数据传输的影响,保障高速通信稳定性。

强化ESD防护

总线引脚(CANH/CANL)通过IEC 61000-4-2标准8kV接触放电测试,人体放电模型(HBM)下防护能力达8kV,有效抵御静电冲击,降低设备损坏风险。

无供电零影响:

节点无供电时,收发器对CAN总线及其他节点无任何干扰,保持总线正常通信状态,避免单个节点断电导致的全网异常。

before 5.2


5.2 汽车及两轮车:12V系统适配与极端环境挑战

汽车及两轮车(如乘用车、电动摩托车)车载CAN总线场景核心痛点:

12V车载系统电压波动范围大,传统收发器适配性不足,易出现供电不稳导致的通信中断;车辆运行环境复杂,高低温、振动等因素易导致收发器性能衰减,尤其低温下可能无法正常启动;部分收发器与不同电压微控制器适配时,需额外电平转换器件,增加电路复杂度与成本。

信路达XL1057GT/3,XLA1057T/1,XLA1057GT应用案例:

12V系统优化

针对12V 汽车的应用场景专项优化,VCC供电范围4.5V-5.5V,可适应车载系统电压波动,同时支持VIO引脚 2.90V-5.5V供电,无需额外稳压模块即可稳定工作。

宽温域运行

工作温度覆盖- 40℃~125℃,无论高温暴晒或低温严寒环境,均能保持稳定通信,满足汽车及两轮车全地域、全季节使用需求。

直连多电压微控

VIO(XL1057GT/3)引脚可直接对接3.3V或5V供电的微控制器,TXD/RXD信号电平自动匹配,省去电平转换环节,简化车载电路设计,降低成本。

before 5.3


5.3 新能源及储能系统:安全通信与低耗需求

新能源及储能系统(如新能源汽车电池管理、储能电站监控)核心痛点:

系统运行中存在高压瞬态脉冲,易击穿收发器总线引脚,引发通信故障甚至安全风险;储能系统需长期低功耗运行,传统收发器待机电流大,增加能源消耗;部分收发器无过温保护机制,高温环境下易烧毁,影响储能系统稳定运行。

信路达XL1057GT/3,XLA1057T/1,XLA1057GT应用案例:

瞬态高压防护

CANH/CANL引脚支持-42V至+42V极限电压,可抵御新能源系统中的瞬态高压冲击,符合IEC 60134标准,保障总线通信安全。

低功耗设计

静默模式下VCC电流仅0.1mA-0.3mA,VIO电流11μA-20μA,正常模式(总线隐性)VCC电流2mA-10mA,大幅降低储能系统待机能耗,延长续航或储能时间。

过温保护

内置温度监测功能,当虚拟结温超过185℃时,自动禁用输出驱动器,待温度降至安全范围后恢复工作,防止高温损坏,适配新能源系统长期运行需求。

before 5.4


5.4 自动控制系统:实时通信与故障容错

自动控制系统(如工业自动化生产线、智能仓储调度)核心痛点:

系统对通信速率要求高,传统收发器无法支持CAN FD快速相位,导致控制指令延迟;单个节点故障(如收发器卡死在显性状态)易阻塞全网通信,影响整个控制系统运行;复杂拓扑下,收发器传播延迟长,导致多节点数据同步偏差,降低控制精度。

信路达 XL1057GT/3,XLA1057T/1,XLA1057GT 应用案例:

高速率支持

完全符合ISO 11898-2:2016标准,数据传输速率最高达5M Baud,可稳定支持CAN FD快速相位通信,满足自动控制系统实时指令传输需求。

TXD 显性超时保护

当TXD引脚持续低电平超过0.8ms(最小超时时间)时,发射器自动禁用并释放总线至隐性状态,避免单点故障阻塞全网,提升系统容错能力。

短传播延迟

TXD到总线显性延迟最大100ns,总线显性到RXD延迟最大110ns,减少多节点通信同步偏差,提升自动控制系统控制精度。

before 6



6.信路达XL1057GT/3,XLA1057T/1,XLA1057GT CAN的优势与市场竞争力:

6.1技术亮点:

‌高速通信与兼容性‌

支持CAN FD协议,数据速率高达5M Baud,满足高速数据传输需求‌。

完全符合ISO 11898-2:2016、SAE J2284-1至SAE J2284-5等国际标准。

‌EMC性能优化‌

低电磁辐射(EME)和高抗干扰性(EMI),符合IEC 62228-3和SAE J2962-2标准,无需额外电感即可实现优异EMC性能‌。

循环延迟对称性设计,确保高速率下通信完整性‌。

‌可靠性与保护机制‌

电源欠压时自动脱离总线(高阻态),TXD显性超时功能防止总线阻塞‌。

总线引脚具备8kV ESD保护和瞬态抑制能力,适应严苛的汽车环境‌。

‌低功耗与灵活性‌

支持VIO(XL1057GT/3)引脚(3.3V/5V微控制器直接接口),简化系统设计‌,对于没有VIO引脚的型号,只要微控制器的I/O的容限电压为5V,就可以与3.3V和5V供电的微控制器连接。

提供SOP8封装,优化PCB布局空间‌。

6.2成本

   其它国际竞品:作为国际知名品牌的产品,其价格相对较高,这在一定程度上增加了产品的成本。特别是在大规模应用场景中,芯片成本会对整个项目的预算产生较大影响。

   信路达XL1057GT/3,XLA1057T/1,XLA1057GT:国产芯片在成本上具有明显优势。其价格相对较低,能够为用户节省大量的采购成本,提高产品的市场竞争力。对于一些对成本敏感的应用场景,如汽车电子控制系统/工业与电动交通工具等领域,XL1057GT/3,XLA1057T/1,XLA1057GT是一个更具吸引力的选择。

6.3供货:

  其它国际竞品:由于受到国际供应链、市场需求等多种因素的影响,可能会出现供货紧张的情况。特别是在全球芯片短缺的大背景下,其供货稳定性面临挑战,可能会影响产品的生产进度。

   信路达XL1057GT/3,XLA1057T/1,XLA1057GT:国产芯片在供货方面具有更好的保障。国内的生产厂家能够更及时地响应市场需求,调整生产计划,确保芯片的稳定供应。这对于用户来说,可以有效避免因芯片缺货而导致的生产停滞问题,保证项目的顺利进行。

7 .总结:

信路达XL1057GT/3,XLA1057T/1,XLA1057GT  作为一款性能优异的CAN总线双工收发器,在汽车、工业自动化及智能家居等多个领域都有着极为重要的应用。其广泛的工作温度范围、灵活的供电电压以及卓越的信号处理能力,使得该器件在实际应用中表现出色。随着市场对高可靠性通信元件的需求不断增长,信路达XL1057GT/3,XLA1057T/1,XLA1057GT  CAN将成为未来电子产品设计中的理想选择。

8.本方案重要器件推荐

型号                 封装           类目                        芯片厂家

XL1057GT/3      SOP8       CAN总线收发器             信路达

XLA1057T/1      SOP8       CAN总线收发器              信路达

XLA1057GT       SOP8      CAN总线收发器               信路达

9.客户服务宗旨

信路达XINLUDA成立于2018年,是以集成电路设计,产品应用方案开发,销售为一体全产业链的高新技术企业,能给客户提供一站式服务。

研发总部位于集成电路集聚地厦门,公司已通过国家高新企业.专精特新及集成电路设计企业认证,销售服务中心设于深圳。

公司产品专注于模拟,逻辑,数模混合,以及通讯接口/CAN芯片,产品覆盖于工控,家电,新能源,汽车等多种应用领域。

信路达拥有自主知识产权,并有一支高效技术开发服务及营销管理团队。

信路达同时追求产品每一项性能测试技术和严苛极致应用环境探索。以国际行业最高标准严格完善品质保证体系服务每一个客户。

返回列表