信路达XL1051T/3,XLA1051T/1赋能汽车CAN网络稳定通信!国产高速CAN收发器优质方案

本站 | 2025-10-27

1.引言

在汽车电子领域,CAN总线通信的稳定性、抗干扰能力及适配性一直是设计核心需求。信路达XL1051T/3,XLA1051T/1高速CAN收发器解决方案,以符合国际标准的性能、强化的防护能力及灵活的适配特性,为汽车HS-CAN网络节点提供可靠接口支持!本文将详细介绍 信路达 XL1051T/3,XLA1051T/1 CAN收发器的主要特点、工作原理、功能特性、应用领域以及问题解决方案等,帮助方案设计者更好地理解其在现代通信系统中的作用。

before 2


2.信路达 XL1051T/3,XLA1051T/1 CAN 的基本概述:

XL1051T/3,XLA1051T/1是信路达推出的一款高性能CAN收发器,这款芯片以其卓越的可靠性和高度集成的特点而备受赞誉,其芯片支持高达5Mbps的数据速率,使其能够快速而可靠地传输大量数据。它的出色性能使其成为高速通信环境中的理想选择,可以满足对数据传输速率和稳定性的严格要求,XL1051T/3,XLA1051T/1在5V的工作电压范围内工作(4.5V~5.5V),为工程师提供了更大的灵活性和便利性,以适应不同的系统设计需求。

3. XL1051T/3,XLA1051T/1 CAN 的主要特点:

3.1  XL1051T/3,XLA1051T/1 双模式运行,灵活可控

3.1.1模式切换机制

正常模式:S引脚(静默模式控制端)为低电平时,收发器可正常发送与接收数据。差分接收器将CANH/CANL 总线上的模拟信号转换为数字信号输出至RXD引脚,同时发射器根据 TXD 引脚信号驱动总线(TXD 低电平对应总线显性,高电平对应总线隐性)。

静默模式:S引脚(静默模式控制端)为高电平时,发射器禁用,总线保持隐性状态,但接收器仍正常工作。该模式可用于故障节点隔离,防止故障控制器持续占用总线,保障网络整体通信。

3.1.2各模式下的电流特性

静默模式:电流仅0.1mA~2.5mA,适合低功耗待机场景。

正常模式(总线隐性):电流2.5mA~10mA;正常模式(总线显性):电流 20mA~70mA,在满足通信需求的同时平衡功耗。

3.2  XL1051T/3,XLA1051T/1 故障防护,安全可靠

3.2.1 TXD显性超时保护

当TXD引脚持续为低电平(显性状态)超过超时时间(t_to (dom) TXD,范围0.3ms~5ms)时,发射器自动禁用,总线恢复至隐性状态。该功能可防止硬件故障或软件异常导致总线被永久占用,避免整个 CAN 网络通信中断;同时,超时时间定义了最低 20kbit/s 的比特率,确保低速通信兼容性。

3.2.2总线引脚过压与短路保护

过压防护:CANH与CANL 引脚电压范围为- 58V~+58V,可抵御车辆电气系统中的瞬态过压(如负载突变产生的尖峰电压),保护引脚不受损坏。

短路保护:总线显性时,若CANH或CANL引脚发生短路(-15V~+40V 范围内),输出短路电流控制在-100mA~-40mA(CANH)或 40mA~100mA(CANL),避免过大电流烧毁器件;总线隐性时,短路电流仅-5mA~+5mA,进一步提升安全性。

3.2.3泄漏电流控制

当VCC与VIO均为0V或通过47kΩ 电阻接地时,CANH与CANL 引脚的泄漏电流(I_L)范围为-5μA~+5μA,减少断电状态下的电量损耗,适合电池供电的低功耗节点。

3.3  XL1051T/3,XLA1051T/1 时序精准,高速适配

3.3.1通信延迟特性

在正常模式下,信号传输延迟控制在较低水平,保障高速通信时序要求:

TXD至总线显性延迟(t_d (TXD-busdom)):典型值65ns。

TXD至总线隐性延迟(t_d (TXD-busrec)):典型值90ns。

总线显性至RXD延迟(t_d (busdom-RXD)):典型值60ns。

总线隐性至RXD延迟(t_d (busrec-RXD)):典型值65ns。

3.3.2比特宽度与对称性

传输隐性比特宽度(t_bit (bus)):

当TXD比特宽度为500ns 时,总线比特宽度范围435ns~550ns;当TXD比特宽度为200ns 时,总线比特宽度范围155ns~230ns,确保比特同步精度。

接收器时序对称性(Δt_rec):

TXD比特宽度500ns 时,误差范围-65ns~+40ns;TXD比特宽度200ns时,误差范围-45ns~+15ns,减少时序偏移导致的误码。

3.4  XL1051T/3,XLA1051T/1 封装与物理特性

3.4.1封装规格

采用SOP8封装,封装尺寸为4.90mm×3.90mm,适合高密度PCB布局,节省板级空间;引脚间距符合行业标准,便于自动化焊接与批量生产。

3.4.2热特性

热阻(Rth (vj-a))为160K/W(SOP8封装,自由空气条件),散热性能良好,可有效分散器件工作时产生的热量,避免高温对性能的影响。

3.4.3合规性

属于“深绿色产品”,不含卤素且符合RoHS标准,满足汽车电子的环保要求,适配全球范围内的环保法规。



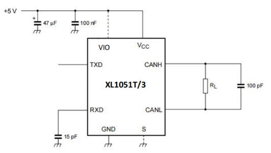
before 4

时序测试电路▲


4. XL1051T/3,XLA1051T/1 CAN 的工作原理:

XL1051T/3,XLA1051T/1作为信路达第二代高速CAN收发器,其工作原理可概括为以下核心机制(XL1051有两个版本,可以通过引脚5的功能区分XL1051T/3与XLA1051T/1):

4.1基础通信架构

‌差分信号转换‌

通过CAN_H和CAN_L双绞线传输差分信号,将微控制器输出的逻辑电平转换为总线上的差分电压(显性状态:CAN_H=3.5V/CAN_L=1.5V;隐性状态:2.5V/2.5V),利用差分传输抑制共模干扰‌。

‌协议层接口‌

作为CAN控制器与物理总线的桥梁,实现ISO 11898-2标准的数据帧收发,支持最高5Mbps的CAN FD快速相位通信‌。

4.2关键工作流程

‌发送模式‌

微控制器通过TXD引脚发送逻辑信号(显性=0,隐性=1)。

收发器内部逻辑电路将信号转换为差分电压驱动总线‌。

内置TXD显性超时保护(约1.3ms)防止总线锁死‌。

‌接收模式‌

总线差分信号经接收器转换为RXD逻辑电平输出。

通过斜率控制降低EMI辐射,同时保持高抗干扰能力‌。


5 . XL1051T/3,XLA1051T/1 CAN 的应用领域:

XL1051T/3,XLA1051T/1 CAN提供了稳定的性能和广泛的应用范围,它是CAN总线系统中关键的组成部分,可用于各种应用,包括车辆通信、工业自动化和机器控制等领域。

before 5.1.2

5.1 汽车电子的通信痛点与解决方案

5.1.1 车载CAN网络的“干扰难题”

车载CAN网络核心痛点

车辆运行环境复杂,电磁干扰(EMI)易导致通信信号失真;静电放电(ESD)可能损坏收发器,影响网络稳定性;传统收发器在供电异常时可能对总线造成额外负载,干扰整体通信。

信路达XL1051T/3,XLA1051T/1应用案例:

低电磁辐射(EME)与高电磁抗扰性(EMI)

优化的信号斜率控制设计,减少电磁辐射对周边电路的影响;同时提升抗电磁干扰能力,保障复杂车载环境下的通信完整性。

高ESD防护能力

CANH与CANL引脚符合IEC 61000-4-2标准,静电放电电压可达-8kV(接触放电),有效抵御静电冲击,降低器件损坏风险。

断电零负载特性

当供电电压关闭时,收发器与CAN总线完全脱离,呈现理想无源 状态,避免对总线造成额外负载,保障其他节点正常通信。

before 5.1.3

5.1.2 多电压微控制器的 “适配障碍”

车载微控制器核心痛点

不同功能模块的微控制器供电电压存在差异(3V或5V),传统收发器需额外电平转换电路才能适配,增加设计复杂度与PCB空间占用;电平不匹配可能导致信号传输延迟或错误。

信路达XL1051T/3,XLA1051T/1应用案例:

VIO引脚灵活适配

VIO引脚支持2.8V~5.5V供电,可直接连接3V或5V微控制器的电源,自动将TXD、RXD、S引脚的信号电平调整至与微控制器兼容的范围,无需额外电平转换器件,简化电路设计。

稳定的I/O电流控制

在正常/静默模式下,VIO引脚电流表现稳定:TXD为高电平时(V_TXD=V_IO),电流最大250μA;TXD为低电平时(V_TXD=0V),电流最大500μA,避免对微控制器电源造成过大负担。

before 5.1.4

5.1.3 CAN FD高速通信的“速率瓶颈”

CAN FD系统核心痛点

CAN FD协议在快速相位需支持高数据速率(最高5Mbit/s),传统收发器时序性能不足,可能导致信号延迟超标,影响数据传输效率;高速通信下信号对称性差,易引发误码。

信路达XL1051T/3,XLA1051T/1应用案例:

5Mbit/s速率支持

严格遵循ISO 11898-2:2016与SAE J2284-1至J2284-5标准,时序性能经过优化,在CAN FD快速相位可稳定支持最高5Mbit/s的数据速率,满足高速数据传输需求(如车载诊断、多媒体数据交互)。

优异的信号对称性

发射器显性电压对称性(V_dom (TX) sym)误差范围为-500mV~+500mV,在 250kHz、1MHz、2.5MHz 频率下,发射器电压对称性(V_TXsym)保持在0.9V_CC~1.1V_CC之间,减少高速通信中的信号失真,降低误码率。


5.1.4 极端工况下的 “可靠性风险”

汽车极端工况核心痛点

车载环境温度波动大(-40℃~125℃),传统收发器在低温下可能出现功能失效,高温下易触发过热保护导致通信中断;供电电压波动可能引发收发器误动作,影响网络稳定性。

信路达 XL1051T/3,XLA1051T/1应用案例:

宽温域稳定工作

虚拟结温(T_Vj)范围覆盖-40℃~+125℃,满足汽车电子的高温、低温工况需求,在冬季寒冷地区或发动机舱高温环境下均能正常运行。

过温保护

当虚拟结温超过180℃时,输出驱动器自动禁用,直至温度降至安全范围且TXD恢复为隐性状态,避免温度漂移导致的驱动器振荡。

欠压保护

VCC引脚欠压检测电压(V_UVd (VCC))为3.5V~4.5V,VIO(XL1051T/3)引脚欠压检测电压(V_UVd (VIO))为1.3V~2.7V,当电压低于阈值时,收发器关闭并脱离总线,待电压恢复后重新启动,防止供电异常导致的通信故障。


before 6

6.信路达XL1051T/3,XLA1051T/1 CAN的优势与市场竞争力:

6.1技术亮点:

高速与低功耗‌

支持1Mbps标准CAN及5Mbps CAN FD快速相位,数据传输效率高‌。

待机功耗低至微安级,睡眠模式(Sleep Mode)进一步优化电池寿命‌。

可靠性设计‌

总线引脚ESD防护达±8KV(IEC 61000-4-2),抗瞬态干扰能力强‌。

内置过热保护、欠压检测及TXD显性超时功能,保障系统安全‌。

灵活配置选项‌

提供XL1051T/3(3V-5V接口)、XL1051T/1(低功耗模式)等变体,适配不同系统架构。

6.2成本:

  其它国际竞品:作为国际知名品牌的产品,其价格相对较高,这在一定程度上增加了产品的成本。特别是在大规模应用场景中,芯片成本会对整个项目的预算产生较大影响。

信路达XL1051T/3,XLA1051T/1:国产芯片在成本上具有明显优势。其价格相对较低,能够为用户节省大量的采购成本,提高产品的市场竞争力。对于一些对成本敏感的应用场景,如汽车电子(如ECU、ABS)/新能源汽车/工业自动化场景‌等领域,XL1051T/3,XLA1051T/1是一个更具吸引力的选择。

6.3供货:

  其它国际竞品:由于受到国际供应链、市场需求等多种因素的影响,可能会出现供货紧张的情况,特别是在全球芯片短缺的大背景下,其供货稳定性面临挑战,可能会影响产品的生产进度。

   信路达XL1051T/3,XLA1051T/1:国产芯片在供货方面具有更好的保障。国内的生产厂家能够更及时地响应市场需求,调整生产计划,确保芯片的稳定供应,这对于用户来说,可以有效避免因芯片缺货而导致的生产停滞问题,保证项目的顺利进行。

7 .总结:

   总的来说,信路达XL1051T/3,XLA1051T/1 是一款可靠且性能出色的CAN芯片,其高速的数据传输率、宽广的工作电压范围以及便捷的封装方案,使其成为许多工程师和设计者的首选,无论是在汽车电子、工业自动化系统还是其他需要可靠通信的领域,信路达XL1051T3/T1 CAN都能够提供稳定而高效的解决方案,为用户带来卓越的体验和可靠的性能。

8、本方案主要器件推荐

型号            封装       类目                      芯片厂家

XL1051T/3   SOP8    CAN总线收发器           信路达

XLA1051T/1  SOP8   CAN 总线收发器          信路达


9.客户服务宗旨

信路达XINLUDA成立于2018年,是以集成电路设计,产品应用方案开发,销售为一体全产业链的高新技术企业,能给客户提供一站式服务。

研发总部位于集成电路集聚地厦门,公司已通过国家高新企业及集成电路设计企业认证,销售服务中心设于深圳。

公司产品专注于模拟,逻辑,数模混合,以及通讯接口/CAN芯片,产品覆盖于工控,家电,新能源,汽车等多种应用领域。

信路达拥有自主知识产权,并有一支高效技术开发服务及营销管理团队。

信路达同时追求产品每一项性能测试技术和严苛极致应用环境探索。以国际行业最高标准严格完善品质保证体系服务每一个客户。


返回列表