信路达 XL3485 通信难题!工业级 RS485 收发器的可靠之选

本站 | 2026-01-05

1.引言

随着工业通信系统对可靠性、抗干扰能力及多节点组网的需求日益严苛,信号传输的稳定性、抗干扰能力和多设备兼容性一直是工程师们头疼的问题。信路达 XL3485 工业级 RS485 收发器解决方案来了,XL3485 凭借其3.3V低功耗供电、高噪声抗扰性及12Mbps高速传输特性,成为工业自动化、多节点组网及EMI敏感环境的理想选择,让每一次数据传输都 “稳定高效”!

本文将详细介绍 XL3485 的参数、工作原理、特点、功能以及应用场景,帮助工程师全面了解这款工业级RS-485 收发器的技术优势和应用价值。

img1

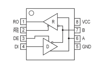
2.信路达XL3485的基本概述:

XL3485是信路达推出的3.3V供电,半双工、低功耗的RS-485收发器,专为工业级通信设计。其核心优势在于故障安全、过温保护、电流限制和过压保护、12Mbps高速传输及多节点组网能力,广泛应用于多节点组网、EMI 敏感环境、工业控制等场景。


3. 信路达XL3485的主要特点:

3.1 XL3485 智能组网,高效兼容

多节点适配,灵活扩展

采用 1/8 单位负载设计(接收器输入阻抗 96kΩ),相比传统 RS485 收发器(1 单位负载,12kΩ),可接入的设备数量提升 8 倍,支持 256 个节点并行组网。无论是工厂生产线的传感器集群,还是楼宇自控的多终端网络,都能轻松覆盖。

双向通信,操作便捷

支持半双工双向数据通信,通过 DE(driver 使能)和 RE(receiver 使能)引脚独立控制:DE = 高电平时 driver 激活,可向总线发送数据;RE = 低电平时 receiver 激活,可接收总线数据,无需复杂协议即可实现主从设备交互。

3.2 XL3485 稳定传输,低耗耐用

宽电压适应与低功耗

工作电压范围 3.0~3.6V,兼容工业常用 3.3V 电源系统;正常工作时功耗仅 520~700μA(典型值),关闭模式下低至 0.5μA,特别适合电池供电的便携式工业设备。

故障安全设计

接收器具备开路 / 短路故障保护功能:当总线开路或短路时,RO 输出保持高电平,避免因线路故障导致的系统误判,提升通信可靠性。


3.3 XL3485 全面保护,可靠运行

多重防护,应对极端工况

输出短路保护

无论短路至 0~12V(高电平)还是 - 7~0V(低电平),输出电流均被限制在 ±250mA 内,防止器件烧毁。

过温保护

内置高精度温度传感器,核心温度达 140℃时自动关断 driver 输出,温度降至 120℃(滞后 20℃)时恢复,避免过热损坏。

总线过压保护

A、B 引脚可承受 - 7~13V 电压,即使误接高压也不会损坏内部电路。

灵活封装,适配多样场景

提供 SOP-8(XL3485)和 DIP-8(XD3485)两种封装,SOP-8 体积小巧(4.90×3.90mm)适合高密度PCB设计,DIP-8便于手工焊接和调试,满足不同生产需求。

IMG2

4. 信路达XL3485的工作原理:

XL3485是一款半双工 RS-485收发器,其工作原理主要基于差分信号传输和半双工控制机制,以实现抗干扰和高效通信。‌

核心功能模块

芯片内部包含四个关键部分:

    1.‌接收器‌:将总线上的差分信号(A/B 线)转换为单端信号,输出至接收数据引脚(RXD)。‌

    2.‌发送器‌:将单端信号(如单片机输出的 TTL 电平)转换为差分信号,通过 A/B线发送至总线。‌

    3.‌控制逻辑‌:通过 /RE(接收使能)和 DE(发送使能)引脚控制收发状态。半双工模式下,将两引脚短接,由一位 GPIO 控制方向切换。‌

    4.‌电源管理‌:支持 3V~3.6V 单电源供电,集成低功耗设计。‌

IMG3

5. 信路达XL3485的应用领域:

XL3485作为一款3.3V供电的RS-485收发器,凭借其低功耗、高抗干扰能力和宽温工作特性,在工业控制、电信网络等场景中展现出显著优势,以下是其典型应用场景及其应用案例。


5.1 工业通信的痛点与解决方案!

工业总线网络核心痛点

节点数量受限(通常仅 32 个),难以满足大型工厂多设备联网需求;传输速率低(≤5Mbps),无法应对实时数据交互;抗干扰能力弱,复杂工业环境中易出现数据丢包。

信路达 XL3485 应用案例:

1/8 负载设计

支持 256 个设备并行连接同一总线,轻松覆盖大型车间多设备组网需求。

12Mbps 高速传输

即使在电磁干扰环境中,也能实现无差错高速数据传输,满足实时控制指令交互需求。

高噪声抗扰性

集成瞬态电压抑制功能,在电机、变频器等强干扰环境中仍保持信号稳定。

IMG4

5.2 户外设备通信

户外设备通信核心痛点

极端温度下(如 - 30℃低温或 60℃高温)设备易 “罢工”;线路短路或过压时,收发器易损坏,导致通信中断。

信路达 XL3485 应用案例:

-40℃~85℃全温域工作

适应严寒、酷暑等户外极端环境,确保气象监测、智能电网等设备全年稳定运行。

多重保护机制

具备过温保护(核心温度超 140℃时自动进入高阻态)、短路保护(输出短路时电流限制在 250mA 内)、过压保护等多重保护,全方位守护设备安全。

IMG5

5.3 多设备联网的功耗与冲突

多设备联网核心痛点

空闲状态功耗高,增加工业控制系统整体能耗;多设备同时通信时易出现总线冲突,导致数据传输失败。

信路达 XL3485应用案例:

低功耗关闭模式

当 RE = 高电平、DE = 低电平时,进入关闭模式,功耗低至 0.5μA(典型值),大幅降低待机能耗。

独立使能控制

驱动器和接收器可独立开启 / 关闭,通过精准控制避免总线冲突,提高通信效率。

IMG6

6. 信路达XL3485的优势与市场竞争力:

6.1技术亮点:

1.‌高抗干扰能力‌

芯片内部集成了差分接收器和差分发送器,具有高抗干扰能力,能够在恶劣的电磁环境下实现可靠通信‌。

2.‌低功耗设计‌

采用低功耗设计,520~700μA(典型值),关闭模式下低至 0.5μA,适合电池供电或对功耗敏感的应用场景‌。

3.‌高集成度与灵活性‌

支持半双工通信,通过控制信号 DE(发送使能)和 RE(接收使能)实现模式切换‌。

接收器具有“失效保护”功能,当总线开路、短路或所有驱动器处于高阻态时,输出自动保持高电平,避免误操作‌。

1/8 单位负载设计,允许同一总线上并联多达 256 个收发器,扩展性强‌。

4.‌高速传输与宽电压兼容‌

支持最高 12Mbps 的数据传输速率。

工作电压范围 3.0~3.6V,兼容工业常用 3.3V 电源系统,无需额外电平转换‌。

5.‌工业级可靠性‌

内置过压保护、过流保护和热关断功能,增强芯片在复杂环境中的稳定性‌。

工作温度范围覆盖 -40°C 至 +85°C,适应极端工业条件‌。


6.2成本:

其它国际竞品:作为国际知名品牌的产品,其价格相对较高,这在一定程度上增加了产品的成本。特别是在大规模应用场景中,芯片成本会对整个项目的预算产生较大影响。

信路达XL3485:国产芯片在成本上具有明显优势。其价格相对较低,能够为用户节省大量的采购成本,提高产品的市场竞争力。XL3485兼容主流设计,降低开发成本,该芯片广泛供应于工业元器件市场,保障项目交付的及时性,成为工程师在嵌入式系统中的首选方案。


6.3供货:

其它国际竞品:由于受到国际供应链、市场需求等多种因素的影响,可能会出现供货紧张的情况。特别是在全球芯片短缺的大背景下,其供货稳定性面临挑战,可能会影响产品的生产进度。

信路达XL3485:国产芯片在供货方面具有更好的保障。国内的生产厂家能够更及时地响应市场需求,调整生产计划,确保芯片的稳定供应。这对于用户来说,可以有效避免因芯片缺货而导致的生产停滞问题,保证项目的顺利进行。


7.总结:

信路达XL3485凭借差分信号传输机制、工业级高温保护架构及多节点失效保护逻辑,成为工业通信领域的技术标杆。其技术特性直接解决了工业自动化、组网和EMI敏感环境中的可靠性、扩展性和抗干扰三大核心需求。随着工业物联网的发展,其低功耗和多节点特性将进一步拓展应用边界,巩固其在工业通信中的不可替代地位。


8.本方案重要器件推荐

商品编码     型号      封装         类目                 芯片厂家

XL3485     XL3485    SOP-8L     RS485收发器     信路达(XINLUDA)

XD3485    XD3485    DIP-8L      RS485收发器     信路达(XINLUDA)


9.客户服务宗旨

信路达XINLUDA成立于2018年,是以集成电路设计,产品应用方案开发,销售为一体全产业链的高新技术企业,能给客户提供一站式服务。

研发总部位于集成电路集聚地厦门,公司已通过国家高新,专精特新企业及集成电路设计企业认证,销售服务中心设于深圳。

公司产品专注于模拟,逻辑,数模混合,以及通讯接口/CAN芯片,产品覆盖于工控,家电,新能源,汽车等多种应用领域。

信路达拥有自主知识产权,并有一支高效技术开发服务及营销管理团队。

信路达同时追求产品每一项性能测试技术和严苛极致应用环境探索。以国际行业最高标准严格完善品质保证体系服务每一个客户。



返回列表