信路达XL3483工业通信难题!国RS-485 收发器 “突围”方案

本站 | 2026-01-05

1.引言

工业自动化系统常面临高温车间、寒区仓库等极端温度环境;工业环境中电机、变频器等设备产生的高频噪声对通信稳定性构成挑战;分布式控制系统(如智能工厂)需支持大量设备互联。在这些领域,系统对通信接口提出三重核心要求:长距离传输稳定性、多节点协同能力及极端环境适应性。为解决这些问题,信路达 XL3483 低功耗 RS-485 收发器解决方案来了,让每一次数据传输都 “精准可靠”!

本文将详细介绍 XL3483 的参数、工作原理、特点、功能以及应用场景,帮助工程师全面了解这款工业级RS-485 收发器的技术优势和应用价值。

img1



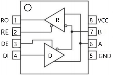
2.信路达XL3483的基本概述:

XL3483 作为信路达推出的低功耗RS-485/RS-422收发器芯片,凭借其高可靠性、强抗干扰能力及工业级设计,在复杂工业环境中展现出卓越的适应性。


3.信路达XL3483的主要特点:

3.1稳定通信,抗干扰能力强

差分传输与低 EMI 设计

采用差分信号传输技术,数据抗噪声能力远超单端传输,即使线路存在强电磁干扰,仍能准确识别 ±200mV 的微小信号差异。通过限斜率设计,驱动器输出上升 / 下降时间控制在 700ns(典型值),大幅降低电磁辐射(EMI),特别适合对干扰敏感的医疗、航空等场景。

灵活使能与双向控制

通过 DE(驱动器使能,高电平有效)和 RE(接收器使能,低电平有效)引脚,可灵活控制芯片工作状态:DE=1、RE=0 时,芯片进入发送模式;DE=0、RE=1 时,进入关闭模式;DE=0、RE=0 时,接收器开启、驱动器关闭,满足半双工通信的双向切换需求。


3.2 低功耗设计,节能高效

多模式功耗优化

正常工作时无负载电流仅 1000μA(典型值),接收模式下低至 800μA,而关闭模式下通常为1μA,最大为10μA,可根据系统运行状态灵活切换,尤其适合电池供电的便携式数据采集设备。

快速唤醒与响应

从关闭模式唤醒至正常工作状态仅需 2000ns,远快于传统方案的微秒级延迟,确保设备在突发数据传输需求时能快速响应。


3.3全面保护,可靠性高

多重安全防护

除输出短路保护外,芯片还具备宽范围输入电压保护(逻辑输入 - 0.3V 至 6.0V),即使输入电压异常波动,也不会损坏内部电路。接收器输入阻抗高达 15kΩ(典型值),降低对总线的负载影响,进一步提升系统稳定性。

故障安全设计

当输入引脚开路时,接收器输出自动保持高电平,避免因线路脱落导致的系统误判,特别适合无人值守的远程监控场景。

img2



4.信路达XL3483的工作原理:

XL3483 是信路达推出的3.3V低功耗RS-485/RS-422收发器,支持半双工通信,具有限摆率驱动器和宽范围输入电压保护,以下是其核心工作原理:


电源与供电

单电源供电:仅需3.3V电压,无需外部电荷泵,简化设计 。 ‌

低功耗模式:支持10μA(最大)关断电流,降低待机功耗 。 ‌

通信特性

半双工模式:驱动器和接收器分时工作,适用于单向或交替通信 。

限摆率驱动器:通过限制信号上升/下降速度,减少EMI(电磁干扰)和信号反射,确保250kbps速率下无误码 。

数据速率:最高支持250kbps(受限于摆率限制)。


保护功能

宽范围输入电压保护:逻辑输入 - 0.3V 至 6.0V,即使输入电压异常波动,也不会损坏内部电路。

热关断:过载时自动进入高阻态,防止损坏 。 ‌


接口与兼容性

逻辑电平:兼容+5V逻辑输入,便于与传统系统集成 。 ‌

失效保护:接收器输入开路时输出逻辑高电平,避免通信中断 。



5 .信路达XL3483的应用领域:

XL3483作为一款低功耗的RS-485收发器,凭借其高可靠性、强抗干扰能力及工业级设计在自动化控制和通信领域占据重要地位,以下是其典型应用场景及其应用案例。


5.1工业场景的通信痛点与解决方案!

5.1.1工业自动化生产线

核心痛点

设备多节点通信冲突频发,总线负载超过 32个节点就瘫痪;传输过程中电磁干扰(EMI)严重,数据丢包率高;长距离传输(超过 1000 米)时信号衰减明显,通信稳定性骤降。


信路达 XL3483 应用案例:

支持 32个收发器共线

轻松应对多设备组网,避免节点过多导致的通信拥堵,生产线设备协同更高效。

限斜率设计

减少电磁干扰,数据传输误码率大大降低,复杂工业环境下仍保持稳定通信。

兼容 4000 英尺(约 1200 米)长距离传输

满足大多数收发范围,且宽共模范围应对地电位差,确保信号稳定。

img3


5.2楼宇安防与智能监控

核心痛点

不同设备电压不兼容(如 3.3V 与 5V 逻辑混用),接口频繁烧毁;待机功耗大,长期运行导致系统能耗过高;突发短路时设备易损坏,维护成本高。

信路达 XL3483 应用案例:

兼容 5.0V 逻辑电平

无需额外电平转换电路,直接对接不同电压设备,降低接口烧毁风险,安装调试更便捷。

低功耗关闭模式

关闭状态下电流仅 10μA(最大),较传统方案大幅度降低,减少系统待机能耗;相较于部分竞品,在相同工作状态下电流消耗更低,尤其适合对功耗敏感的便携式或电池供电设备。

驱动器输出短路保护

短路时输出电流限制在 ±250mA,即使意外短路也不会损坏芯片,降低维护频率与成本。

img4


5.3智能电网数据采集

核心痛点

户外环境温差大(-40℃至 85℃),设备易 “罢工”;地电位差过大(超过 ±7V),导致通信中断;数据传输速率不稳定,实时性差。

信路达 XL3483应用案例:

-40℃至 85℃宽温工作

极端气候下仍能稳定运行,满足户外电网设备的严苛环境需求。

-7V 至 + 12V 共模输入电压范围

轻松应对地电位差带来的干扰,确保偏远地区电网数据稳定上传。

250kbps 稳定速率

数据传输延迟低至百纳秒级,满足电网实时监控与指令响应需求。

img5


6. 信路达XL3483的优势与市场竞争力:

6.1技术亮点:创新架构与卓越性能

6.1.1 差分信号传输:抗干扰的基石

XL3483采用差分信号传输机制,通过双绞线(A线与B线)同步传输互补信号。当驱动器将逻辑电平转换为差分电压(A-B或B-A)时,接收器通过检测两线间电压差还原数据。这一设计可有效抑制共模噪声,在1200米传输距离内保持信号完整性,尤其适用于工厂自动化、电力监控等电磁环境复杂的场景。


6.1.2 限摆率驱动:EMI与反射的克星

通过控制信号边沿的上升/下降速率,限摆率驱动技术显著降低电磁干扰(EMI)和电缆端接反射。在250kbps及以下速率下,该特性实现无误差数据传输,避免因信号失真导致的通信中断。例如,在油井测压系统中,限摆率设计可确保在高压、高冲击环境下稳定采集动态参数。


6.1.3 宽范围输入电压和驱动器输出短路保护:稳定运行的最后防线

逻辑输入 (- 0.3V 至 6.0V)和(-7V 至 + 12V) 共模输入电压,即使输入电压异常波动,也不会损坏内部电路。此外,短路限流与热关断功能在过载或高温时自动将输出置为高阻态,避免功耗失控。这一特性在电表抄表系统中尤为重要,可应对户外恶劣环境下的瞬时电压冲击。


6.1.4 故障安全接收器:可靠性保障

接收器在输入开路或短路时默认输出逻辑高电平,防止误触发。例如,当工业控制网络出现线缆故障时,该特性可维持系统逻辑状态,避免因误判导致的生产停机。结合半双工通信模式(通过DE/RE引脚切换),器件在低功耗(典型1000μA无负载)下实现高效数据交换。


6.2成本:

其它国际竞品:作为国际知名品牌的产品,其价格相对较高,这在一定程度上增加了产品的成本。特别是在大规模应用场景中,芯片成本会对整个项目的预算产生较大影响。

信路达:国产芯片在成本上具有明显优势。其价格相对较低,能够为用户节省大量的采购成本,提高产品的市场竞争力。该器件采用3.3V单电源供电,无需额外电荷泵,降低系统复杂度,限摆率设计减少电缆端接需求,节约布线成本。在工业控制场景中,其高可靠性可减少设备故障率,提升整体生产效率。


6.3供货:

其它国际竞品:由于受到国际供应链、市场需求等多种因素的影响,可能会出现供货紧张的情况。特别是在全球芯片短缺的大背景下,其供货稳定性面临挑战,可能会影响产品的生产进度。

信路达XL3483 :国产芯片在供货方面具有更好的保障。国内的生产厂家能够更及时地响应市场需求,调整生产计划,确保芯片的稳定供应。这对于用户来说,可以有效避免因芯片缺货而导致的生产停滞问题,保证项目的顺利进行。


7 .总结:

信路达XL3483通过差分信号传输、限摆率驱动、宽范围输入电压和驱动器输出短路保护等技术,在工业通信领域建立了技术壁垒。其故障安全特性、低功耗设计及模块化扩展能力,使其在工业控制、电表抄表等场景中具备显著市场优势。未来,随着工业互联网的深化,该器件有望在智能制造、能源监控等新兴领域持续释放价值。


8.本方案重要器件推荐


商品编码      型号      封装     类目            芯片厂家

XL3483       XL3483    SOP8   总线收发器    信路达


9.客户服务宗旨

信路达XINLUDA成立于2018年,是以集成电路设计,产品应用方案开发,销售为一体全产业链的高新技术企业,能给客户提供一站式服务。

研发总部位于集成电路集聚地厦门,公司已通过国家高新企业,专精特新及集成电路设计企业认证,销售服务中心设于深圳。

公司产品专注于模拟,逻辑,数模混合,以及通讯接口/CAN芯片,产品覆盖于工控,家电,新能源,汽车等多种应用领域。

信路达拥有自主知识产权,并有一支高效技术开发服务及营销管理团队。

信路达同时追求产品每一项性能测试技术和严苛极致应用环境探索。以国际行业最高标准严格完善品质保证体系服务每一个客户。



返回列表